Bracket 1

Bracket 1

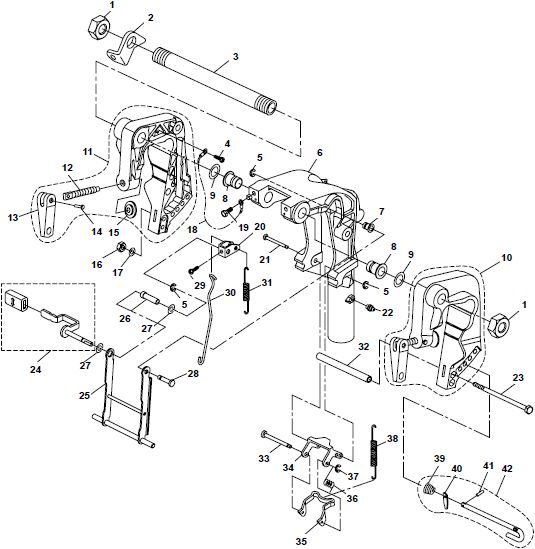
Nummer: Bestelnummer: Origineel onderdeelnummer: Omschrijving: Aantal stuks:
1 PAF15-01010007 63V-43145-00 NUT 2
2 PAF15-01010003 66R-43113-00 PLATE 1
3 PAF15-01010001 63D-43131-00 BOLT, CLAMP BRACKET 1
4 PAGB/T818-M6x8 - SCREW M6x8 1
5 PAGB/T896-5 953181 CIRCLIP 5 3
6 PAF15-01010301L 6AH-43311-10-4D BRACKET, ROTARY L 1
  PAF15-01010301S 63V-43311-03-4D BRACKET, ROTARY S  
7 PAF15-01010311 90386-07M95 BUSH, NYLON 1
8 PAF15-01010302 90386-22M15 BUSH, ROTARY BRACKET 2
9 PAF15-01010002 90202-22M54 WASHER, NYLON 2
10 PAF15-01010100 63V-43111-06-4D LEFT BRACKET ASSY 1
11 PAF15-01010200 63V-43112-08-8D RIGHT BRACKET ASSY 1
12 PAF15-01010102 6E7-43116-00 SCREW, CLAMP 2
13 PAF4-01010004 6L8-G3118-01 HANDLE 2
14 PAF4-01010005 90243-04M01 RIVER, CLAMP HANDLE 2
15 PAF4-01010003 620-43114-00 CLAMP, PLATE 2
16 PAGB/T6170-M6 95380-06600 NUT M6 1
17 PAGB/T97.1-6 92990-06600-00 WASHER 6 1
18 PAF15-01010202 66M-82148-00 TIGHTWIRE, EARTHING 1
19 PAGB/T5783-M8x12 - BOLT M8x12 2
20 PAF15-01010306 63V-43641-01 LEVER, ANGLE ORIENTATION 1
21 PAF15-01010316 63V-43659-00 LONG SHAFT, LOCK ANGLE 1
22 PAJB/T9740.1-M6 93700-06M03 OILER M6 1
23 PAGB/T5782-M6x145 90101-06M29 BOLT M6x145 1
24 PAF15-01010305 66M-43630-01 TILT CLAMP HANDLE ASSY 1
25 PAF15-01010313A 66M-43350-01 SUPPORT ASSY 1
26 PAF15-01010308 90387-07M07 BUSH 1
27 PAF15-01010309 90202-07M60 WASHER, NYLON 2
28 PAF15-01010312A 63V-43191-00 SHAFT SUPPORT 1
29 PAGB/T818-M5x6 - SCREW M5x6 1
30 PAF15-01010307A 66R-43617-00 LINK ROD 1
31 PAF15-01010304 90507-20M00 SPRING 1
32 PAF15-01010006 90387-06M13 BUSH 1
33 PAF15-01010317-3 66R-43611-00 SHORT SHAFT, LOCK ANGLE 1
34 PAF15-01010317-2 66R-43615-00 BRACKET, LOCK ANGLE 1
35 PAF15-01010317-1 63V-43614-10 INNER BRACKET 1
36 PAF15-01010315 90508-18M41 SPRING, TORSION 1
37 PAGB/T896-4 - CIRCLIP 4 1
38 PAF15-01010314A 63V-43656-00 SPRING, TENSION 1
39 PAF15-01010402 66M-43160-01 CONICAL SPRING 1
40 PAF4-01050003 66M-43160-01 NOG, PREVENTED UNLOCK 1
41 PAGB/T879.1-Ø3x8 66M-43160-01 PIN, SPRING Ø3x8 1
42 PAF15-01010400 66M-43160-01 LIMITATIVE ROD ASSY 1
View as Grid List

Items 1-24 of 49

Page
per page
Set Descending Direction
  1. USED: Yamaha / Parsun Bracket complete F15 / F20 6AH-
    €250.00 €250.00
  2. USED: Yamaha / Parsun F15 / F20 Swivel Bracket Short 6AH-43311-00
    €225.00 €225.00
  3. USED: Yamaha / Parsun F15 / F20 swivel bracket long tail 6AH-43311-10
    €225.00 €225.00
  4. Yamaha / Tohatsu / Parsun Rivet (90243-04M01-00) to use for Clamp Handle
    €5.95 €4.92
  5. Yamaha/Parsun Bracket, Rotary (Small) (63V-43311-03-4D, 63V-43311-038D)
    As low as €186.95 €154.50
  6. Yamaha / Parsun SPRING, TENSION F20 & F25 (90506-30M00)
    As low as €12.95 €10.70
  7. Yamaha / Parsun Nut Hexagon M6 (95380-06600)
    As low as €4.95 €4.09
  8. Yamaha/Parsun Shaft, Stopper (63V-43191-00)
    As low as €9.95 €8.22
  9. Yamaha / Parsun Bracket, Right 9,9 / 15 HP 63V-43111-
    As low as €99.95 €99.95
  10. Yamaha/Parsun Spring, Torsion (90508-18M41)
    As low as €8.95 €7.40
  11. Yamaha / Parsun Inner Bracket F15A (F20A) BM (FW) (PAF15-01010317-1)
    As low as €24.95 €20.62
  12. Yamaha/Parsun Bracket, Lock Angle (66R-43615-00)
    As low as €29.95 €24.75
  13. Yamaha/Parsun Short Shaft, Lock Angle (66R-43611-00)
    As low as €10.95 €9.05
  14. Yamaha/Parsun Bush (90387-06M13)
    As low as €15.95 €13.18
  15. Yamaha/Parsun Spring (90507-20M00)
    As low as €4.95 €4.95
  16. Yamaha/Parsun Washer, Nylon (90202-07M60)
    As low as €4.95 €4.09
  17. Yamaha/Parsun Bush (90387-07M07)
    As low as €15.95 €13.18
  18. Yamaha / Parsun Bolt M6x145 F15A (F20A) BM (FW) (PAGB/T5782-M6X145)
    As low as €7.95 €6.57
  19. Yamaha/Parsun Long Shaft, Lock Angle (63V-43659-00)
    As low as €4.95 €4.95
  20. Yamaha/Parsun Lever, Angle Orientation (63V-43641-01)
    As low as €8.95 €7.40
  21. Yamaha/Parsun Tightwire, Earthing (66M-82148-00)
    As low as €14.95 €12.36
  22. Yamaha / Parsun Bracket, LEFT 9,9 / 15 HP 63V-43111-
    As low as €99.95 €99.95
  23. Yamaha/Parsun Washer, Nylon (90202-22M54)
    As low as €4.95 €4.09
  24. Yamaha/Parsun Bush, Nylon (90386-07M95)
    As low as €4.95 €4.09

Number: Order number: Original part number: Description: Quantity:
1 PAF15-01010007 63V-43145-00 NUT 2
2 PAF15-01010003 66R-43113-00 PLATE 1
3 PAF15-01010001 63D-43131-00 BOLT, CLAMP BRACKET 1
4 PAGB/T818-M6x8 - SCREW M6x8 1
5 PAGB/T896-5 953181 CIRCLIP 5 3
6 PAF15-01010301L 6AH-43311-10-4D BRACKET, ROTARY L 1
  PAF15-01010301S 63V-43311-03-4D BRACKET, ROTARY S  
7 PAF15-01010311 90386-07M95 BUSH, NYLON 1
8 PAF15-01010302 90386-22M15 BUSH, ROTARY BRACKET 2
9 PAF15-01010002 90202-22M54 WASHER, NYLON 2
10 PAF15-01010100 63V-43111-06-4D LEFT BRACKET ASSY 1
11 PAF15-01010200 63V-43112-08-8D RIGHT BRACKET ASSY 1
12 PAF15-01010102 6E7-43116-00 SCREW, CLAMP 2
13 PAF4-01010004 6L8-G3118-01 HANDLE 2
14 PAF4-01010005 90243-04M01 RIVER, CLAMP HANDLE 2
15 PAF4-01010003 620-43114-00 CLAMP, PLATE 2
16 PAGB/T6170-M6 95380-06600 NUT M6 1
17 PAGB/T97.1-6 92990-06600-00 WASHER 6 1
18 PAF15-01010202 66M-82148-00 TIGHTWIRE, EARTHING 1
19 PAGB/T5783-M8x12 - BOLT M8x12 2
20 PAF15-01010306 63V-43641-01 LEVER, ANGLE ORIENTATION 1
21 PAF15-01010316 63V-43659-00 LONG SHAFT, LOCK ANGLE 1
22 PAJB/T9740.1-M6 93700-06M03 OILER M6 1
23 PAGB/T5782-M6x145 90101-06M29 BOLT M6x145 1
24 PAF15-01010305 66M-43630-01 TILT CLAMP HANDLE ASSY 1
25 PAF15-01010313A 66M-43350-01 SUPPORT ASSY 1
26 PAF15-01010308 90387-07M07 BUSH 1
27 PAF15-01010309 90202-07M60 WASHER, NYLON 2
28 PAF15-01010312A 63V-43191-00 SHAFT SUPPORT 1
29 PAGB/T818-M5x6 - SCREW M5x6 1
30 PAF15-01010307A 66R-43617-00 LINK ROD 1
31 PAF15-01010304 90507-20M00 SPRING 1
32 PAF15-01010006 90387-06M13 BUSH 1
33 PAF15-01010317-3 66R-43611-00 SHORT SHAFT, LOCK ANGLE 1
34 PAF15-01010317-2 66R-43615-00 BRACKET, LOCK ANGLE 1
35 PAF15-01010317-1 63V-43614-10 INNER BRACKET 1
36 PAF15-01010315 90508-18M41 SPRING, TORSION 1
37 PAGB/T896-4 - CIRCLIP 4 1
38 PAF15-01010314A 63V-43656-00 SPRING, TENSION 1
39 PAF15-01010402 66M-43160-01 CONICAL SPRING 1
40 PAF4-01050003 66M-43160-01 NOG, PREVENTED UNLOCK 1
41 PAGB/T879.1-Ø3x8 66M-43160-01 PIN, SPRING Ø3x8 1
42 PAF15-01010400 66M-43160-01 LIMITATIVE ROD ASSY 1