The store will not work correctly when cookies are disabled.
    
        
    
    
    
        Spare part not found?    
    
        Can't find the right spare part? We are happy to help!
Click here
     
 
  
    
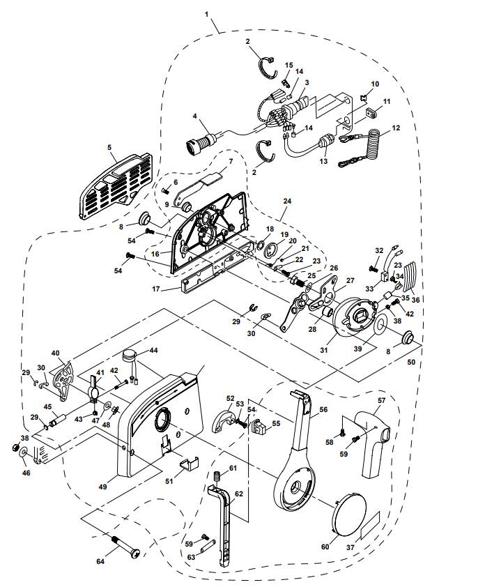
        Control Box Assembly    
    
    
    
        
| Nummer: | Bestelnummer: | Yamaha OEM: | Omschrijving: | 
| 1 | PAF15-13000000W | 703-48240-13-00 | CONTROL BOX ASSY | 
| 2 | PAHT2.5*60 | 703-82591-00-00 | CLAMP | 
| 3 | PAF15-13000200W | 703-82510-12, 703-82510-13 | STARTING SWITCH ASSY | 
| 4 | PAF15-13000100W | 688-82586-21-00 | CONTROL CABLE ASSY (5M=16.4') | 
| 5 | PAF15-11000002W | 703-48293-10-00 | PLATE, CONTROL BOX | 
| 6 | PAGB/T819.2-1997 | 703-48281-00-00 | SCREW PAN HEAD M5X12 | 
| 7 | PAF15-13020007W | 703-48152-00-00 | THROTTLE HANDLE, INCHING | 
| 8 | PAF15-13000005W | 703-48236-00-00 | BUSH, CAN | 
| 9 | PAF15-13020006W | 703-48243-00-00 | BUSH, HANDLE | 
| 10 | PAF15-11000001W | 703-48358-00-00 | BLOCK, RUBBER | 
| 11 | PAF15-13000014W | 703-48284-00-00 | JACKET, CABLE | 
| 12 | PAF4-01090401 | 682-82556-00-00 | STOPER, HANG ROPE ASSY | 
| 13 | PAF15-13020400W | 688-82575-01-00 | ENGINE STOP SWITCH ASSY | 
| 14 | PAF15-13000203W | 90464-09M13, 90464-15M08 | INSULATED PLUG 'B' | 
| 15 | PAF15-13000202W |  | INSULATED PLUG 'A' | 
| 16 | PAF15-13020001W | 703-48212-00-00 | COVER, CONTROL BOX | 
| 17 | PAF15-13000013W | 703-48213-00-00 | SMALL COVER, CONTROL BOX | 
| 18 | PAF15-13020005W | 703-48198-00-00 | WASHER 'B', WAVE | 
| 19 | PAF15-13020100W | 703-48153-00-00 | LOCKED DISK ASSY | 
| 20 | PAF15-13020002W | 703-48244-00-00 | TORSION SPRING | 
| 21 | PAF15-13020003W | 703-48234-00-00 | EACH LOCKED PULLEY | 
| 22 | PAF15-13020004W | 703-48246-00-00 | PLATE, PULLEY SPRING | 
| 23 | PAGB/T818-2000 | 98580-04006-00 | PAN HEAD SCREW M4X6 | 
| 24 | PAF15-13020000W |  | COVER ASSY, CONTROL BOX | 
| 25 | PAGB/T5783-2000 | 97380-08030-00 | BOLT M8X30 | 
| 26 | PAGB/T97.1-85 | 92990-08600-00 | WASHER 8 | 
| 27 | PAF15-13000500W | 703-48261-11-00 | MACHINE, CONTROL ACCELEROGRAPH | 
| 28 | PAF15-13000007W | 703-48252-00-00 | WASHER | 
| 29 | PAGB/T896-6 | 93430-06024-00 | PIN, COTTER 6 | 
| 30 | PAF25-07000007W | 703-48345-01-00 | CONTROL CABLE TIE IN 'B' | 
| 31 | PAF15-13000002W | 703-48232-00-00 | CAM MECHANISM | 
| 32 | PAGB/T818-2000 | 98580-03015-00 | PAN HEAD SCREW M3X14 | 
| 33 | PAF15-13000800W | 703-82540-00-00 | INCHING SWITCH | 
| 34 | PAF15-13000003W | 703-48189-00-00 | PLATE | 
| 35 | PAF15-13000004W | 701-48248-00-00 | PULLEY | 
| 36 | PAF15-13000001W | 703-48238-00-00 | SHIFT SPRING PLATE 'B' | 
| 37 | PAF15-12000016W |  | MARK 16 | 
| 38 | PAGB/T6170-2000 | 95380-08600, 99780-08600-00 | NUT M6 | 
| 39 | PAF15-13000008W |  | WEARABLE PLATE, CAM MECHANISM | 
| 40 | PAF15-13000700W | 703-48271-00-00 | SHIFT SWING LINK | 
| 41 | PAF15-13000601W | 703-48264-00-00 | ADJUSTER FASTNESS ASSY | 
| 42 | PAGB/T5783-2000 |  | BOLT M5X25 | 
| 43 | PAGB/T6170-2000 | 95380-08600, 99780-08600-00 | NUT M5 | 
| 44 | PAF15-13000300W | 703-83383-02-00 | BUZZER ASSY | 
| 45 | PAF15-13000602W | 703-48265-00-00 | ADJUSTER PIN | 
| 46 | PAGB/T5287-1985 | 92990-06600-00, 92995-06600 | BIG WASHER 6 | 
| 47 | PAF15-13000006W | 703-48268-00-00 | WEARABLE PLATE | 
| 48 | PAF15-13000011W | 703-48235-00-00 | BUSH, SHIFT SWING LINK | 
| 49 | PAF15-13000012W | 703-48211-01-00 | BRACKET, CONTROL BOX | 
| 50 | PAF15-12000013W |  | MARK 13 | 
| 51 | PAF15-13000015W | 703-48219-00-00 | COVER, WATERPROOF | 
| 52 | PAF15-13010010W | 703-48245-00-00 | BLOCK, CONTROL HANDLE | 
| 53 | PAGB/T956.1-1987 |  | WASHER, LOCKED 5 | 
| 54 | PAGB/T819.2-1997 | 703-48282-00-00 | SCREW, PAN HEAD M5X18 | 
| 55 | PAF15-13010003W | 703-48224-00-00 | JAM, BUTTON | 
| 56 | PAF15-13010001W | 703-48221-00-00 | CONTROL HANDLE | 
| 57 | PAF15-13010002W | 703-48222-00-00 | CONTROL HANDLEBAR | 
| 58 | PAGB/T84.5-2000 | 98580-05010-00 | SCREW, PAN HEAD ST 4.8X12 | 
| 59 | PAGB/T818-2000 | 98580-04010-00 | SCREW, PAN HEAD M4X10 | 
| 60 | PAF15-13010009W | 703-48225-00-00 | COVER, CONTROL HANDLE | 
| 61 | PAF15-13010005W | 703-48227-00-00 | SPRING, COMPRESSION | 
| 62 | PAF15-13010004W | 703-48223-00-00 | PART, ORIENTATION CONTROL | 
| 63 | PAF15-13010008W | 703-48226-00-00 | PLATE, ORIENTATION PART | 
| 64 | PAGB/T820-2000 | 703-48291-10-00 | SCREW, PAN HEAD M56X90 | 
 
        
    
        
    
    
    
                            
                
                    
                        
| Number: | Ordernumber: | Yamaha OEM: | Description: | 
| 1 | PAF15-13000000W | 703-48240-13-00 | CONTROL BOX ASSY | 
| 2 | PAHT2.5*60 | 703-82591-00-00 | CLAMP | 
| 3 | PAF15-13000200W | 703-82510-12, 703-82510-13 | STARTING SWITCH ASSY | 
| 4 | PAF15-13000100W | 688-82586-21-00 | CONTROL CABLE ASSY (5M=16.4') | 
| 5 | PAF15-11000002W | 703-48293-10-00 | PLATE, CONTROL BOX | 
| 6 | PAGB/T819.2-1997 | 703-48281-00-00 | SCREW PAN HEAD M5X12 | 
| 7 | PAF15-13020007W | 703-48152-00-00 | THROTTLE HANDLE, INCHING | 
| 8 | PAF15-13000005W | 703-48236-00-00 | BUSH, CAN | 
| 9 | PAF15-13020006W | 703-48243-00-00 | BUSH, HANDLE | 
| 10 | PAF15-11000001W | 703-48358-00-00 | BLOCK, RUBBER | 
| 11 | PAF15-13000014W | 703-48284-00-00 | JACKET, CABLE | 
| 12 | PAF4-01090401 | 682-82556-00-00 | STOPER, HANG ROPE ASSY | 
| 13 | PAF15-13020400W | 688-82575-01-00 | ENGINE STOP SWITCH ASSY | 
| 14 | PAF15-13000203W | 90464-09M13, 90464-15M08 | INSULATED PLUG 'B' | 
| 15 | PAF15-13000202W | Â | INSULATED PLUG 'A' | 
| 16 | PAF15-13020001W | 703-48212-00-00 | COVER, CONTROL BOX | 
| 17 | PAF15-13000013W | 703-48213-00-00 | SMALL COVER, CONTROL BOX | 
| 18 | PAF15-13020005W | 703-48198-00-00 | WASHER 'B', WAVE | 
| 19 | PAF15-13020100W | 703-48153-00-00 | LOCKED DISK ASSY | 
| 20 | PAF15-13020002W | 703-48244-00-00 | TORSION SPRING | 
| 21 | PAF15-13020003W | 703-48234-00-00 | EACH LOCKED PULLEY | 
| 22 | PAF15-13020004W | 703-48246-00-00 | PLATE, PULLEY SPRING | 
| 23 | PAGB/T818-2000 | 98580-04006-00 | PAN HEAD SCREW M4X6 | 
| 24 | PAF15-13020000W | Â | COVER ASSY, CONTROL BOX | 
| 25 | PAGB/T5783-2000 | 97380-08030-00 | BOLT M8X30 | 
| 26 | PAGB/T97.1-85 | 92990-08600-00 | WASHER 8 | 
| 27 | PAF15-13000500W | 703-48261-11-00 | MACHINE, CONTROL ACCELEROGRAPH | 
| 28 | PAF15-13000007W | 703-48252-00-00 | WASHER | 
| 29 | PAGB/T896-6 | 93430-06024-00 | PIN, COTTER 6 | 
| 30 | PAF25-07000007W | 703-48345-01-00 | CONTROL CABLE TIE IN 'B' | 
| 31 | PAF15-13000002W | 703-48232-00-00 | CAM MECHANISM | 
| 32 | PAGB/T818-2000 | 98580-03015-00 | PAN HEAD SCREW M3X14 | 
| 33 | PAF15-13000800W | 703-82540-00-00 | INCHING SWITCH | 
| 34 | PAF15-13000003W | 703-48189-00-00 | PLATE | 
| 35 | PAF15-13000004W | 701-48248-00-00 | PULLEY | 
| 36 | PAF15-13000001W | 703-48238-00-00 | SHIFT SPRING PLATE 'B' | 
| 37 | PAF15-12000016W | Â | MARK 16 | 
| 38 | PAGB/T6170-2000 | 95380-08600, 99780-08600-00 | NUT M6 | 
| 39 | PAF15-13000008W | Â | WEARABLE PLATE, CAM MECHANISM | 
| 40 | PAF15-13000700W | 703-48271-00-00 | SHIFT SWING LINK | 
| 41 | PAF15-13000601W | 703-48264-00-00 | ADJUSTER FASTNESS ASSY | 
| 42 | PAGB/T5783-2000 | Â | BOLT M5X25 | 
| 43 | PAGB/T6170-2000 | 95380-08600, 99780-08600-00 | NUT M5 | 
| 44 | PAF15-13000300W | 703-83383-02-00 | BUZZER ASSY | 
| 45 | PAF15-13000602W | 703-48265-00-00 | ADJUSTER PIN | 
| 46 | PAGB/T5287-1985 | 92990-06600-00, 92995-06600 | BIG WASHER 6 | 
| 47 | PAF15-13000006W | 703-48268-00-00 | WEARABLE PLATE | 
| 48 | PAF15-13000011W | 703-48235-00-00 | BUSH, SHIFT SWING LINK | 
| 49 | PAF15-13000012W | 703-48211-01-00 | BRACKET, CONTROL BOX | 
| 50 | PAF15-12000013W | Â | MARK 13 | 
| 51 | PAF15-13000015W | 703-48219-00-00 | COVER, WATERPROOF | 
| 52 | PAF15-13010010W | 703-48245-00-00 | BLOCK, CONTROL HANDLE | 
| 53 | PAGB/T956.1-1987 | Â | WASHER, LOCKED 5 | 
| 54 | PAGB/T819.2-1997 | 703-48282-00-00 | SCREW, PAN HEAD M5X18 | 
| 55 | PAF15-13010003W | 703-48224-00-00 | JAM, BUTTON | 
| 56 | PAF15-13010001W | 703-48221-00-00 | CONTROL HANDLE | 
| 57 | PAF15-13010002W | 703-48222-00-00 | CONTROL HANDLEBAR | 
| 58 | PAGB/T84.5-2000 | 98580-05010-00 | SCREW, PAN HEAD ST 4.8X12 | 
| 59 | PAGB/T818-2000 | 98580-04010-00 | SCREW, PAN HEAD M4X10 | 
| 60 | PAF15-13010009W | 703-48225-00-00 | COVER, CONTROL HANDLE | 
| 61 | PAF15-13010005W | 703-48227-00-00 | SPRING, COMPRESSION | 
| 62 | PAF15-13010004W | 703-48223-00-00 | PART, ORIENTATION CONTROL | 
| 63 | PAF15-13010008W | 703-48226-00-00 | PLATE, ORIENTATION PART | 
| 64 | PAGB/T820-2000 | 703-48291-10-00 | SCREW, PAN HEAD M56X90 | 
                     
                 
             
             
    
        - Brands 
- Accessories 
- Engines 
- Spare Parts 
- Blog