
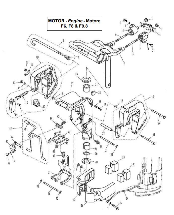
Bracket

| Nummer: | Bestelnummer: | OEM: | Omschrijving: | 
| 1 | PAGB/T889.1-M8 | 3V1-61324-0 | NUT M8 | 
| 2 | PAF8-00000100 | 895167001 | ABSORBER(FRONT) | 
| 3 | PAGB/T5783-M6X20 | 97095-06020 | BOLT M6X20 | 
| 4 | PAGB/T97.1-6 | 92990-06600-00 | WASHER 6 | 
| 5 | PAF8-02000100 | 853771004 | ABSORBER ASSY | 
| 6 | PAF8-01000003 | 16-895166002, | DICEPHALOUS BOLT M8X65 | 
| 7 | PAF8-01020000 | STEER BRACKET ASSY | |
| 8 | PAF8-01010200 | 369-62122-2 | THRUST ROD ASSY | 
| 9 | PAF4-01050002 | 90502-08M05 | CONICAL SPRING | 
| 10 | PAF4-01020000 | 6E0-43112-01-4D | BRACKET ASSY(LEFT) | 
| 11 | PAF4-01000002 | 6E0-43112-01-4D | PLATE, TWO HOLE | 
| 12 | PAGB/T889.1-M8 | 3V1-61324-0 | NUT M8 | 
| 13 | PAGB/T6170-M6 | NUT M6 | |
| 14 | PAF4-01010004 | 6L8-G3118-01 | CLAMP HANDLE,STERN | 
| 15 | PAF4-01010005 | 90243-04M01 | RIVET, CLAMP HANDLE | 
| 16 | PAF4-01010002 | 6E7-43116-00-00 | CLAMP SCREW | 
| 17 | PAF4-01010003 | 620-43114-00 | CLAMP PAD | 
| 18 | PAF4-01000003 | 803772T01 | WASHER, NYLON | 
| 19 | PAF8-01010101 | ROTARY BRACKET | |
| 20 | PAF8-01000001 | 8037741 | WASHER, ROTARY BRACKET | 
| 21 | PAF8-01000002 | 350-62417-0 | BUSHING, ROTARY BRACKET | 
| 22 | PAF8-01000100 | 345-62441-0 | LOCKING BLOCK ASSY | 
| 23 | PAF8-01010102 | 346-62421-1 | SPRING, LOCKING | 
| 24 | PAGB/T5783-M8X30 | 910113-0830 | BOLT M8X30 | 
| 25 | PAF4-01010000 | 6E0-43111-01-4D | BRACKET ASSY(RIGHT) | 
| 26 | PAGB/T5782-M8X140 | BOLT M8X140 | |
| 27 | PAGB/T5782-M6X130 | 90101-06M18-00 | BOLT M6X130 | 
| 28 | PAF8-01010001 | TUBE, BOLT | |
| 29 | PAJB/T7940.1-M6 | 344-67177-0 | OILER M6 | 
| 30 | PAJASO F404 35-022 | 8126412 | O-RING (22.4X) 3.5 | 
| 31 | PAF8-01010108 | 3B2-66321-1 | SHAFT, ROTARY BRACKET | 
| 32 | PAGB/T896-5 | 945303-0500 | CIRCLIP 5 | 
| 33 | PAF8-00000002 | 803775006, | ABSORBER | 
| 34 | PAT15-02010100 | TIGHTWIRE B | |
| 35 | PAGB/T5782-M6X75 | BOLT M6X75 | |
| 36 | PAF8-00000001 | 803776004 | SHELL, ABSORBER | 
| 37 | PAF8-01010106 | 3V1-66313-0 | OUTER FRAME, ROTARY BRACKET | 
| 38 | PAF8-01010112 | 350-62121-1 | TIE-IN, CONNECTING ROD | 
| 39 | PAF8-01010110 | CONNECTING ROD, INNER FRAME | |
| 40 | PAF8-01010111 | TIE-IN, CONNECTING ROD | |
| 41 | PAF8-01010107 | INNER FRAME, ROTARY BRACKET | |
| 42 | PAF8-01010109 | 3B2-66315-0 | SPRING,WREST | 
| 43 | PAF8-01010104 | 369-66112-1 | SPRING,SUPPORT | 
| 44 | PAF8-01010103 | 393-62437-0 | BUSRING | 
| 45 | PAF8-01010105 | 369-62439-1 | PRESS PLATE | 
| 46 | PAGB/T5783-M6X12 | BOLT M6X12 | |
| 47 | PAF8-01010300 | 815094A04 | SUPPORT ASSY | 
| 48 | PAF4-01030103 | 6E0-43632-00 | HANDLE COVER | 
- 
                Yamaha/Parsun SUPPORT ASSY F6, F8 & F9.8 (815094A04)As low as €37.95 €31.36
- 
                Yamaha / Parsun Nut Hexagon M6 (95380-06600)As low as €4.95 €4.09
- 
                Mercury / Johnson / Evinrude / Parsun Shell Absorber / Bracket (803776004, 5041412, F8-00000001)As low as €20.95 €17.31
- 
                Yamaha / Parsun Conical Spring (90502-08M05)As low as €4.95 €4.09
- 
                Yamaha / Parsun Two Hole Plate (68D-G3113-00)As low as €7.95 €6.57
- 
                Yamaha / Parsun Clamp Bracket Assy (Left) (6L8-G3112-00-4D)As low as €70.95 €58.64
- 
                Yamaha / Parsun Handle Sheath (6E0-43632-00)As low as €5.95 €4.92
- 
                Yamaha/Suzuki/Parsun Bolt M6x12 (97095-06012)As low as €4.95 €4.09
- 
                Yamaha / Parsun Clamp Bracket Assy (Right) F6A (F5A) B (6L8-G3111-01-4D)As low as €70.95 €58.64
- 
                Mercruiser / Tohatsu / Parsun Circlip Deposit clip 5 mm (953181, 945303-0500)As low as €4.95 €4.09
- 
                Yamaha/Tohatsu/Suzuki/Parsun Bolt M8x30 (97575-08530)As low as €4.95 €4.09
- 
                Mercury / Tohatsu Damper 8 / 9.8 HP 4-Stroke (209 cc) (895167001, 3V1-61333-1)As low as €11.95 €9.88
- 
                Mercury/Tohatsu absorber assy 8, 9.8 HP (4 Strokes) (209 cc) 853771004, 3V1-61301-1, 940113-0800As low as €46.95 €38.80
- 
                Yamaha / Mercury / Tohatsu Toggle bolt 10 mmAs low as €15.95 €13.18
- 
                Yamaha / Tohatsu / Parsun Transom Clamp Handle (99999-02808, 32S62102-1)As low as €12.95 €10.70
- 
                Tohatsu LOCKING BLOCK ASSY MFS8 / MFS9.8 HP (345-62441-0)€12.95 €10.70
- 
                Parsun Bolt M6x130 (PAGB/T5782-M6x130)€14.95 €12.36
- 
                Parsun F8 / F9. 8 pk 4-stroke swivel bracket - ROTARY BRACKET€188.95 €156.16
- 
                Parsun Bolt M8x140 (PAGB/T5782-M8x140)€17.95 €14.83
- 
                Parsun Nylon Washer (PAF4-01000003)€4.95 €4.09
- 
                Tohatsu SHAFT, ROTARY BRACKET MFS8 / MFS9.8 HP (3B2-66321-1)€12.95 €10.70























