
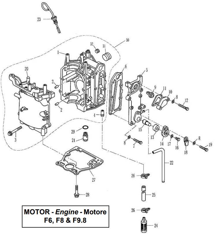
Crankcase

| Nummer: | Bestelnummer: | OEM: | Omschrijving: | 
| 1 | PAF8-05010001 | CYLINDER CASE | |
| 2 | PAF15-00000006 | 93606-11M24 | KNOCK 6X12 | 
| 3 | PAF15-07000029 | 855677005 | BOLT M8X50 | 
| 4 | PAF8-05010002 | 3H8-02093-0 | NIPPLE | 
| 5 | PAF8-05010003 | 3V1-B0230-10 | EXHAUST COVER | 
| 6 | PAF8-05010004 | 3V1-02305-0 | GASKET,EXHAUST COVER | 
| 7 | PAGB/T5783-M6X25 | 10-88348935 | BOLT M6X25 | 
| 8 | PAGB/T97.1-6 | 92990-06600-00 | WASHER 6 | 
| 9 | REC855676002 | 3R3-01030-0 | THERMOSTAT | 
| 10 | PAF8-05010006 | 8357052 | THERMOSTAT COVER | 
| 11 | PAF8-05010005 | 346-01032-0 | GASKET,THERMOSTAT COVER | 
| 12 | PAGB/T5783-M6X40 | 8M0102279 | BOLT M6X40 | 
| 13 | PAF15-07010009 | 66M-11328-00 | SEAL,ANODE | 
| 14 | PAF15-07010011 | 66M-11327-00-94 | ANODE COVER | 
| 15 | PAF15-07010008 | 66M-11325-00 | ANODE | 
| 16 | PAGB/T818-M5X12 | 97885-05012 | BOLT M5X12 | 
| 17 | PAGB/T97.1-5 | WASHER 5 | |
| 18 | PAF15-07010012 | 66M-12535-00 | LOCKING PLATE,ANODE | 
| 19 | PAGB/T5783-M6x20 | 97095-06020 | BOLT M6x20 | 
| 20 | PAF8-05010011 | CRANKCASE | |
| 21 | PAF8-05000900 | 898101142 | PLUNGER | 
| 22 | PAF8-05000024 | 3V1-07421-0 | WATER PIPE | 
| 23 | PAF8-00000200 | 3V1-07421-0 | OIL LEVEL GAUGE | 
| 24 | PAF8-05000800 | 3V1-07410-0 | OIL STRAINER | 
| 25 | PAF8-05000017 | 32-895153 | HOSE | 
| 26 | PAF8-05000025 | 369-84398-0 | HOOP | 
| 27 | PAF8-00000004 | 3V1-01303-0 | GASKET,ENGINE BASEMENT | 
| 28 | PAF8-00000003 | 3R3-61017-0 | BOLT M8X35 | 
| 29 | PAGB/3452.1-13.2X1.8 | O-RING | |
| 30 | PAF8-05010000 | 3V1-B01100-0 | CRANKCASSE ASSY | 
| 31 | PAF15-07010005 | STOPPER 1/4 | |
| 32 | PAF15-07010004 | 479452 | STOPPER 1/8 | 
- 
                Mercury / Tohatsu / Parsun Oil Strainer 8 / 9.8 / 9.9 HP (35-895152002, 895152, 3V1-07410-0)As low as €9.95 €8.22
- 
                Mercury / Tohatsu / Parsun / Johnson / Evinrude Exhaust Cover (834953001, 3V1-B02301-0)As low as €29.95 €24.75
- 
                Parsun/Mercury BOLT M8X50 (855677005)As low as €4.95 €4.09
- 
                Yamaha / Parsun Washer 5 (92990-05600-00)As low as €4.95 €4.09
- 
                Yamaha/Parsun Screw M5x12 (97885-05012)As low as €4.95 €4.09
- 
                Mercury / Tohatsu / Parsun CRANKCASSE ASSY 8 / 9.8 / 9.9 hp (878-815013T06 3V1B01100-0)As low as €395.00 €326.45
- 
                Mercury / Tohatsu / Parsun Nipple 8 / 9.8 / 9.9 HP 22-822644001, 3H8-02093-0As low as €4.95 €4.09
- 
                Yamaha/Mercury/Tohatsu/Parsun Bolt (65W-12228-00, 8M4503518, 910184-5620, PAGB/T5783-M6X20)As low as €4.95 €4.09
- 
                Yamaha/Mercury/Parsun Grommet, Anode F9.9/F13.5/F15/F20/F25 hp (66M-11328-00, 25-825040)As low as €4.95 €4.09
- 
                Mercury / Tohatsu / Parsun Gasket exhaust inner cover 27-834952001 3V1-02305-0As low as €4.95 €4.09
- 
                Mercury / Tohatsu / Parsun GASKET, ENGINE BASEMENT 8/9.9 pk 4T (27-835427003 3V1-01303-0)As low as €23.95 €19.79
- 
                Parsun PLUNGER F6, F8 & F9.8 (PAF8-05000900)€34.95 €28.88
- 
                Parsun / Mercury Thermostat Cover (8357052)€12.95 €10.70
- 
                Parsun STOPPER 1/4 F6, F8 & F9.8 (PAF15-07010005)€11.95 €9.88
- 
                Parsun BOLT M6X40 (PAGB/T5783-M6X40)€7.95 €6.57
- 
                Parsun O-RING F6, F8 & F9.8 (PAGB/3452.1-13.2X1.8)€4.95 €4.09























