
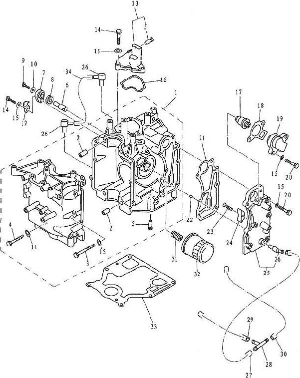
Cylinder & Crankcase 1

| Nummer: | Bestelnummer: | Yamaha OEM: | Omschrijving: | 
| 1 | PAF15-07010000 | 66M-15100-02-1S | CRANKCASE ASSY | 
| 2 | PAF15-07000001 | 91810-03014, 99510-10114, 99530-1011400 | PIN, HOLLOW | 
| 3 | PAGB/T5783-2000 | BOLT, HEXAGON | |
| 4 | PAGB/T5783-2000 | BOLT, HEXAGON | |
| 5 | PAF15-07010006 | 6E5-24377-00 | PIPE, JOINT | 
| 6 | PAF15-07010008 | 66M-11325-00 | ANODE | 
| 7 | PAF15-07010011 | 66M-11327-00-94 | COVER, ANODE | 
| 8 | PAF15-07010009 | 66M-11328-00 | GROMMET, ANODE | 
| 9 | PAGB/T5783-2000 | SCREW, PAN HEAD | |
| 10 | PAGB/T97.1-85 | WASHER 5 | |
| 11 | PAGB/T97.1-85 | WASHER 8 | |
| 12 | PAF15-07010012 | 66M-12535-00 | PLATE, ANODE | 
| 13 | PAF15-07010013 | 66M-11168-00-1S | COVER, BREATHER | 
| 14 | PAGB/T5783-2000 | BOLT | |
| 15 | PAGB/T97.1-85 | WASHER 6 | |
| 16 | PAF15-07010014 | 66M-11357-00 | BREATHER GASKET | 
| 17 | PAF4-04000036 | THERMOSTAT | |
| 18 | PAF15-07010022 | 62Y-12414-00 | GASKET, THERMOSTAT | 
| 19 | PAF15-07010021 | 6H3-12413-00-1S, 6H3-12413-00-9M | COVER, THERMOSTAT | 
| 20 | PAGB/T5783-2000 | BOLT | |
| 21 | PAF15-07010018 | 66M-41114-01 | GASKET, EXHAUST OUTER COVER | 
| 22 | PAF15-00000013 | 93604-10M03, 93604-12M07 | PIN | 
| 23 | PAGB/T5783-2000 | SCREW | |
| 24 | PAF15-07010026 | 6E5-11325-00 | ANODE | 
| 25 | PAF15-07010019 | 66M-41113-20-1S | OUTER COVER, EXHAUST | 
| 26 | PAF15-04000005 | 676-11372-00 | WATER NIPPLE | 
| 27 | PAF15-05000012 | 90445-09061, 90445-0908700 | HOSE A | 
| 28 | PAF15-05000011 | 688-24378-00 | THREE-WAY PIPE | 
| 29 | PAF15-05000013 | 90445-09086 | HOSE B | 
| 30 | PAF15-05000014 | 90445-090F600, 90445-09104 | HOSE C | 
| 31 | PAF15-07010003 | 90401-20M00 | BOLT UNION | 
| 32 | PAF15-07010023 | 5GH-13440-00, 5GH-13440-70 | OIL CLEANER | 
| 33 | PAF15-00000014 | 66M-11351-10 | GASKET, ENGINE | 
| 34 | PAF15-07010007 | 90445-10752-00, 90445-10M46 | HOSE, RETURN OIL | 
- 
                Yamaha/Mercury/Mariner/Selva/Parsun Engine Block Anode, All Outboard Engines (6E5-11325-00)As low as €7.95 €6.57
- 
                Yamaha/Mercury/Parsun Grommet, Anode F9.9/F13.5/F15/F20/F25 hp (66M-11328-00, 25-825040)As low as €4.95 €4.09
- 
                Yamaha/Mercury/Parsun Bolt Union F9.9/F13.5/F15/F20/F25 (90401-20M00, 822625)As low as €17.95 €14.83
- 
                Yamaha / Mercury / Mariner / Parsun Cover Thermostat 9.9 to 70 hp (6H3-12413-00-9M, 8250311)As low as €14.95 €14.95
- 
                Yamaha/Mercury/Mariner/Parsun Spile Water Assy F2.5 to 115 HP (676-11372-00, 22-83326M)As low as €16.95 €14.01
- 
                Yamaha / Parsun Oil Cap (68D-E5362-00-00, 67D-15710-00-00)As low as €9.95 €8.22
- 
                Yamaha/Mercury/Parsun Cylinder Gasket T/FT9.9 F9.9 F15 F13.5 (66M-11351-10)As low as €19.95 €16.49
- 
                Yamaha/Mercury/Parsun Three Way Pipe 4-6 mm 688-24378-00€15.95 €13.18
- 
                Yamaha (66M-11325-00) / Mercury (855678) / Parsun Block Anode Zinc or AluminumAs low as €8.95 €7.40























