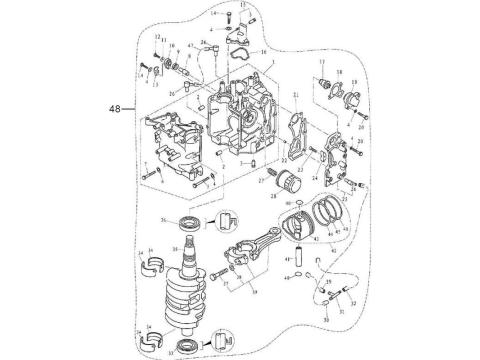
F9.9 / F13.5 / F15 Spare Parts

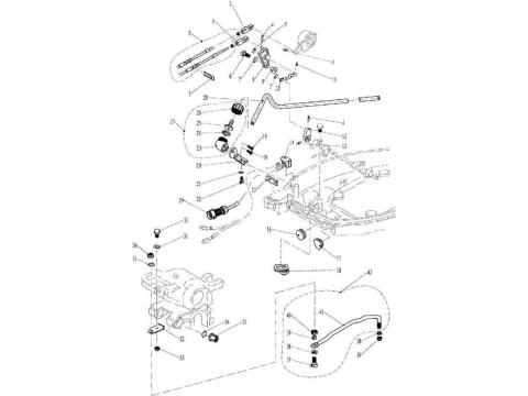
F9.9 / F13.5 / F15 Spare Parts